Wira yang tidak dikenali dari Gudang: menyelam yang mendalam ke dalam teknolo...
BACA LEBIH LANJUT
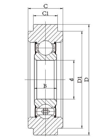
Kod stok: 920002
● Bahan dan rawatan haba untuk gelang galas tiang Forklift
Pemilihan bahan untuk gelang galas tiang (termasuk aci) adalah berdasarkan beban dan struktur berbeza yang ditanggung oleh bahagian gelang galas. Secara amnya, keluli galas, keluli struktur karbon berkualiti tinggi, keluli berkarburasi, dan bahan lain dipilih untuk pembuatan. Proses rawatan haba yang berbeza digunakan untuk mendapatkan sifat mekanikal bagi bahagian gelang galas.
● Beban dan struktur galas tiang forklift
Dalam galas tiang, magnitud beban adalah faktor pertama yang perlu dipertimbangkan semasa memilih galas. Di bawah keadaan dimensi keseluruhan galas yang sama, kapasiti galas struktur penggelek adalah yang terbesar, diikuti dengan dua kali ganda. -struktur bola baris dan kapasiti galas struktur bola satu baris adalah agak kecil. Di antara galas struktur jenis ini, kapasiti beban galas struktur bebola penuh (atau penggelek) adalah lebih besar daripada galas dengan sangkar. Atas premis kapasiti beban yang mencukupi, struktur bola baris tunggal standard boleh diutamakan.
● Perbezaan antara galas tiang forklift dan galas standard lain
Berbanding dengan galas standard yang lain, galas tiang terutamanya dibezakan kerana cincin dalam adalah pegun berbanding aci dan cincin luar berputar, dan salingan mengikut peraturan tertentu (masa atau lejang), menanggung beban yang sentiasa berubah semasa pergerakan.
● Perbezaan antara galas tiang forklift dan galas standard lain dalam pergerakan
Semasa pergerakan, gelang luar galas tiang berulang kali menggosok permukaan trek dan terus haus. Mengikut bahan landasan yang berbeza, kekerasan permukaan galas hendaklah ditentukan dengan munasabah, dan kedua-dua perlindungan landasan dan hayat perkhidmatan galas hendaklah dipertimbangkan.
| Bearing No | Dimensi(mm) | Penilaian beban asas (KN) | Ruj. Tidak. | |
| d*D*C/B | Cr | Cor | ||
| CG25A3-1 | 25*70/62*15/6*15 | 14 | 7.88 | 1903-89004 |
| CG25A3-2 | 25*86/74*30/12*17 | 22.38 | 11.49 | 30044 |
| CG30A3-1 | 30*80/72*16/8*16 | 19.46 | 11.31 | 1903-89005 |
| CG30A3-2 | 30*75/66*16/8.4*16 | 19.46 | 11.31 | 83478 |
| CG30A3-3 | 30*90/80*25/15.5*19 | 27 | 15.19 | |
| CG35A3-1 | 35*91/81.6*21/14.6*21 | 33.36 | 19.21 | |
| CG35A3-2 | 35*88/77*25/14.7*21 | 33.36 | 19.21 | C289549 |
| CG35A3-3 | 35*88/80*25/11.6*21 | 33.36 | 19.21 | 1901-53004 |
| CG40A3-1 | 40*102/88*23/18*23 | 40.75 | 24.01 | 34B-72-51150 |
| CG40A3-2 | 40*103/93*23/18*23 | 40.75 | 24.01 | |
| CG40A3-3 | 40*100/91*32/14.2*23 | 40.75 | 24.01 | MG208JT |
| CG40A3-4 | 40*103/93.2*23/14.7*26 | 40.75 | 24.01 | 83265 |
| CG40A3-5 | 40*103/88*23/18*23 | 40.75 | 24.01 | |
| CG40A3-6 | 40*102.5/88*24/18,5 | 40.75 | 24.01 | |
| CG40A3-7 | 40*102/87.6*23/18*23 | 40.75 | 24.01 | 40BFC1001 |
| CG45A3-1 | 45*113/99*31/14.5*25 | 52.86 | 31.83 | 1901-53002 |
| CG45A3-2 | 45*110/100*25/14*25 | 52.86 | 31.83 | |
| CG45A3-3 | 45*110/97*25/18*25 | 52.86 | 31.83 | |
| CG45A3-4 | 45*113/100*31/17.5*25 | 52.86 | 31.83 | |
| CG50A3-1 | 50*139/125*31/14.5*27 | 62 | 38.5 | |

Wira yang tidak dikenali dari Gudang: menyelam yang mendalam ke dalam teknolo...
BACA LEBIH LANJUT
Selama lebih dari lima dekad, sejak penubuhan kami pada tahun 1969, Jiangsu W...
BACA LEBIH LANJUT
Sejak penubuhannya pada tahun 1969, Jiangsuwandaspecialbearingco., Ltd (bekas...
BACA LEBIH LANJUT
Memahami peranan penggelek sampingan forklift Penggelek sampingan forkl...
BACA LEBIH LANJUT
Memahami rantai roda roller Rantai roda roller adalah kompone...
BACA LEBIH LANJUT