Wira yang tidak dikenali dari Gudang: menyelam yang mendalam ke dalam teknolo...
BACA LEBIH LANJUT
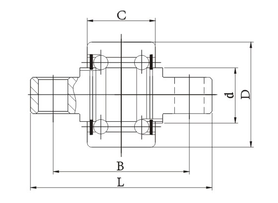
Kod stok: 920002
● Pemilihan kelegaan galas galas tiang forklift
● Ketepatan dimensi dan kekasaran permukaan galas tiang forklift
● Prinsip pemilihan galas tiang forklift
① Tentukan dimensi luaran galas mengikut dimensi struktur tiang forklift;
② Mengikut tan trak forklift, struktur dalaman dipilih dengan
③ Untuk menjadikan galas mempunyai kekuatan yang mencukupi, ketebalan cincin galas mesti dipertimbangkan sepenuhnya dalam reka bentuk;
④ Pemilihan yang munasabah bagi kekerasan bahan galas dan saiz pemasangan.
| Bearing No | Dimensi(mm) | Penilaian beban asas (KN) | Ruj. Tidak. | |
| d*D*C/B | Cr | Cor | ||
| SR45D40-1T | 45/62*21.4/40*21 | 12.6 | 10.8 | D10P8-00501, CN-3 |
| SR45D40-2 | 45/62*21.4/40*21 | 12.6 | 10.8 | |
| SR45D40-3T | 45/62*21.4/40*21 | 12.6 | 10.8 | |
| SR55D40-1 | 55/70*21.4/40*30 | 12.6 | 10.8 | RSL-3 |
| SR55D40-2 | 55/70.5*21.4/40*30 | 12.6 | 10.8 | 59532-L2601 |
| SR55D41-1 | 55/70.5*21.4/41*30 | 12.6 | 10.8 | |
| SR55047-1 | 55/75*25/47*30 | 19.3 | 15.2 | |
| SR55D47-2 | 55/75*24.4/47*30 | 19.3 | 15,2 | DDG2447SA1 |
| SR55D47-3 | 55/75*24.4/47*30 | 19.3 | 15.2 | 31220-11350-0 |
| SR55D47-4 | 55/75*24.4/47*30 | 19.3 | 15.2 | A70000-16250 |
| SR55D47-5 | 55/75*24.4/47*30 | 19.3 | 15.2 | |
| SR60D40-1 | 60/80*21.4/40*30 | 12.6 | 10.8 | C40X80、11234406700 |
| SR60D40-1T | 60/80*21.4/40*30 | 12.6 | 10.8 | |
| SR60D47-1 | 60/80*24.4/47*30 | 19.3 | 15.2 | CN-9 |
| SR60D58-1T | 60/80*30/58*30 | 25.76 | 32.23 | Q60H0-90682 |
| SR60D58-2T | 60/80*30/58*30 | 25.76 | 32.23 | CN-10 |
| SR63.7D58-1T | 63.7/88*31/58*40 | 25.76 | 32.23 | |
| SR74D52.2-1 | 74/96*27.4/52.2*30 | 21 | 19.3 | DDG2752A、Y909482300 |

Wira yang tidak dikenali dari Gudang: menyelam yang mendalam ke dalam teknolo...
BACA LEBIH LANJUT
Selama lebih dari lima dekad, sejak penubuhan kami pada tahun 1969, Jiangsu W...
BACA LEBIH LANJUT
Sejak penubuhannya pada tahun 1969, Jiangsuwandaspecialbearingco., Ltd (bekas...
BACA LEBIH LANJUT
Memahami peranan penggelek sampingan forklift Penggelek sampingan forkl...
BACA LEBIH LANJUT
Memahami rantai roda roller Rantai roda roller adalah kompone...
BACA LEBIH LANJUT